富奥股份获得发明专利授权:“一种车辆转向下的悬架控制方法和控制装置”
2025年08月02日 | 浏览量:66915

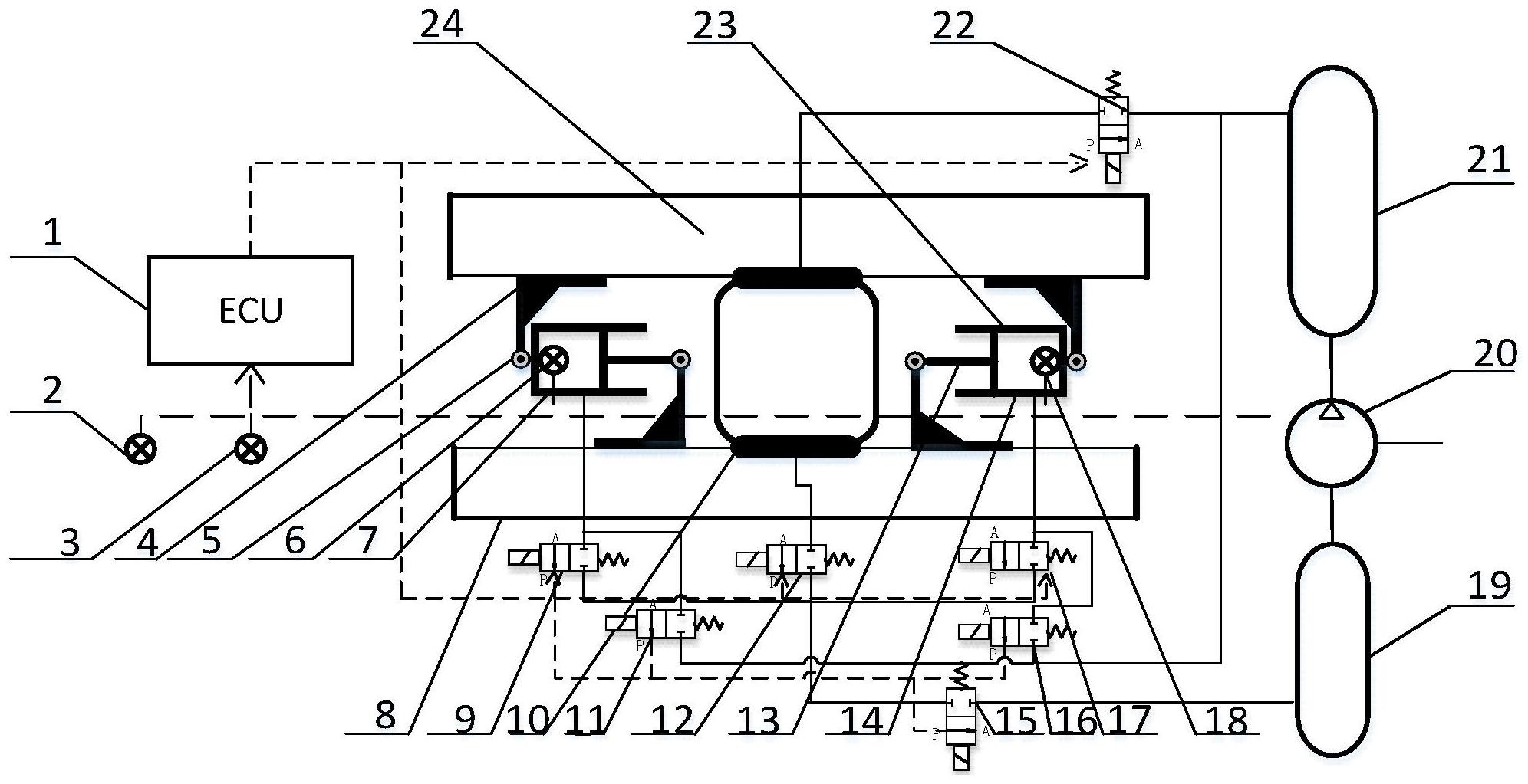
图片来源于网络,如有侵权,请联系删除
证券之星消息,根据天眼查APP数据显示富奥股份(000030)新获得一项发明专利授权,专利名为“一种车辆转向下的悬架控制方法和控制装置”,专利申请号为CN202211039675.8,授权日为2025年8月1日。
专利摘要:本申请提供了一种车辆转向下的悬架控制方法和控制装置,所述方法包括:基于左前位移、右前位移、左后位移和右后位移,确定所述目标车辆的车身的侧倾角、俯仰角和侧倾率;基于所述侧倾率和所述目标车辆当前时刻的车速,利用第一曲线以及第二曲线,确定侧倾控制力矩;基于所述侧倾角和所述俯仰角,利用第三曲线,确定俯仰控制力矩;利用第四曲线,以及第五曲线,确定侧倾控制权重系数和俯仰控制权重系数;基于所述侧倾控制力矩、所述俯仰控制力矩、所述侧倾控制权重系数和所述俯仰控制权重系数,确定驱动值。通过所述方法和装置,能够克服车辆过弯时的一致性表现不高以及不能很好的协调操控需求与舒适需求的问题。
今年以来富奥股份新获得专利授权58个,较去年同期增加了100%。结合公司2024年年报财务数据,2024年公司在研发方面投入了5.41亿元,同比减5.19%。
通过天眼查大数据分析,富奥汽车零部件股份有限公司共对外投资了43家企业,参与招投标项目102次;财产线索方面有商标信息57条,专利信息728条,著作权信息14条;此外企业还拥有行政许可11个。
数据来源:天眼查APP
以上内容为证券之星据公开信息整理,由AI算法生成(网信算备310104345710301240019号),不构成投资建议。
本文来源:财富导航网
本文地址:https://sintedes.com/post/32344.html
关注我们:微信搜索“xiaoqihvlove”添加我为好友
版权声明:如无特别注明,转载请注明本文地址!
- •科大讯飞获得外观设计专利授权:“机器人”
- •中国石化获得发明专利授权:“一种植物性高强度自降解隔离暂堵剂及其制备与使用方法”
- •金陵饭店(601007.SH):董事长毕金标辞职
- •长江电力获得发明专利授权:“一种船舶航行信息校验方法及装置”
- •南网能源:截至2025年11月28日持有人数为101,088
- •【ESG动态】深水海纳(300961.SZ)获华证指数ESG最新评级C,行业排名第159
- •比亚迪获得实用新型专利授权:“定子组件及电机、车辆”
- •英维克获得外观设计专利授权:“机房空调”
- •ST云动获得实用新型专利授权:“一种燃料电池储能调峰装置及系统”
- •亿纬锂能获得实用新型专利授权:“汇流盘、电芯及电池”

